введение в продукцию:
Инструкция по применению:
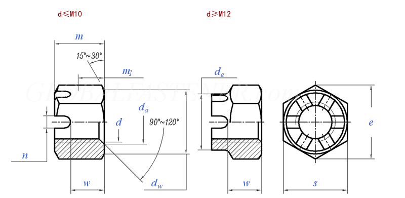
Для соответствия резьбы необходимо подобрать гайку к болту с таким же размером резьбы (например, гайку M16 следует использовать с болтом M16) и убедиться, что в болте имеется предварительно просверленное отверстие для шплинта. Для установки сначала затяните гайку с требуемым моментом затяжки, затем совместите пазы на гайке с отверстием в болте, вставьте шплинт через пазы и отверстие для болта, а затем согните концы штифта, чтобы зафиксировать гайку. Что касается материала, выбирайте гайки A2-70 (нержавеющая сталь 304) для сухих или обычных условий, выбирайте гайки A4-80 (нержавеющая сталь 316) для применений, связанных с соленой водой, химикатами или условиями высокой влажности, и немедленно заменяйте любые поврежденные гайки для обеспечения безопасности.
| Размер резьбы | M4 | M5 | M6 | М10 | М12 | (М14) | М16 | М20 | М24 | (М33) | ||
| d | ||||||||||||
| P | Шаг (крупная резьба) | 0,7 | 0,8 | 1 | 1.5 | 1.75 | 2 | 2 | 2.5 | 3 | 3.5 | |
| Тонкая нить-1 | - | - | - | 1.25 | 1.5 | 1.5 | 1.5 | 2 | 2 | 2 | ||
| Тонкая нить-2 | - | - | - | 1 | 1.25 | - | - | 1.5 | - | - | ||
| da | макс | 4.6 | 5.75 | 6.75 | 10.8 | 13 | 15.1 | 17.3 | 21.6 | 25.9 | 35.6 | |
| мин | 4 | 5 | 6 | 10 | 12 | 14 | 16 | 20 | 24 | 33 | ||
| de | макс | / | / | / | / | 16 | 18 | 22 | 28 | 34 | 46 | |
| мин | / | / | / | / | 15.57 | 17.57 | 21.48 | 27.3 | 33 | 45 | ||
| dw | мин | 5.9 | 6.9 | 8.9 | 14.6 | 16.6 | 19.6 | 22.5 | 27.7 | 33.2 | 46.6 | |
| e | мин | 7.66 | 8.79 | 11.05 | 17.77 | 20.03 | 23.35 | 26.75 | 32.95 | 39.55 | 55.37 | |
| m | макс.=номинальный размер | 5 | 6 | 7.5 | 12 | 15 | 16 | 19 | 22 | 27 | 35 | |
| мин | 4.7 | 5.7 | 7.14 | 11.57 | 14.57 | 15.57 | 18.48 | 21.16 | 26.16 | 34 | ||
| w | макс | 3.2 | 4 | 5 | 8 | 10 | 11 | 13 | 16 | 19 | 26 | |
| мин | 2.9 | 3.7 | 4.7 | 7.64 | 9.64 | 10.57 | 12.57 | 15.57 | 18.48 | 25.48 | ||
| m1 | мин | 2.3 | 3 | 3.8 | 6.1 | 7.7 | 8.2 | 9.8 | 11.9 | 14.2 | 19.8 | |
| n | макс | 1.45 | 1.65 | 2.25 | 3.05 | 3.8 | 3.8 | 4.8 | 4.8 | 5.8 | 7.36 | |
| мин | 1.2 | 1.4 | 2 | 2.8 | 3.5 | 3.5 | 4.5 | 4.5 | 5.5 | 7 | ||
| s | макс.=номинальный размер | 7 | 8 | 10 | 16 | 18 | 21 | 24 | 30 | 36 | 50 | |
| мин | 6.78 | 7.78 | 9.78 | 15.73 | 17.73 | 20.67 | 23.67 | 29.16 | 35 | 49 | ||
| Серия 2 | Шплинт согласно DIN EN ISO 1234. | 1x10 | 1,2x12 | 1,6x14 | 2,5x20 | 3.2x22 | 3,2x25 | 4x28 | 4x36 | 5x40 | 6.3x56 | |
| на 1000 единиц ≈ кг | 1.12 | 2.3 | 3.16 | - | - | - | 38.9 | 75.2 | 131 | 333 | ||
| Размер резьбы | М36 | (М39) | М42 | (М52) | М56 | (М60) | М64 | М72 | М80 | М100 | ||
| d | ||||||||||||
| P | Шаг (крупная резьба) | 4 | 4 | 4.5 | 5 | 5.5 | 5.5 | 6 | - | - | - | |
| Тонкая нить-1 | 3 | 3 | 3 | 3 | 4 | 4 | 4 | 6 | 6 | 6 | ||
| Тонкая нить-2 | - | - | - | - | - | - | - | 4 | 4 | 4 | ||
| da | макс | 38.9 | 42.1 | 45.4 | 56.2 | 61 | 64.8 | 69.1 | 77.8 | 86.4 | 108 | |
| мин | 36 | 39 | 42 | 52 | 56 | 60 | 64 | 72 | 80 | 100 | ||
| de | макс | 50 | 55 | 58 | 70 | 75 | 80 | 85 | 95 | 105 | 130 | |
| мин | 49 | 53.8 | 56.8 | 68.8 | 73.8 | 78.8 | 83,6 | 93.6 | 103.6 | 128.4 | ||
| dw | мин | 51.1 | 55.9 | 60,6 | 74.2 | 78.7 | 83.4 | 88.2 | 97.7 | 107.2 | 135.4 | |
| e | мин | 60.79 | 66.44 | 71.3 | 88.25 | 93.56 | 99.21 | 104.86 | 116.16 | 127.46 | 161.02 | |
| m | макс.=номинальный размер | 38 | 40 | 46 | 54 | 57 | 63 | 66 | 73 | 79 | 100 | |
| мин | 37 | 39 | 45 | 52.8 | 55.8 | 61.8 | 64.8 | 71.8 | 77.8 | 98.6 | ||
| w | макс | 29 | 31 | 34 | 42 | 45 | 48 | 51 | 58 | 64 | 80 | |
| мин | 28.48 | 30.28 | 33.38 | 41.38 | 44.38 | 47.38 | 50.26 | 57.26 | 63.26 | 79.26 | ||
| m1 | мин | 21.9 | 23.5 | 25.9 | 32.3 | 34.7 | 37.1 | 39.3 | 44.9 | 49.7 | 62,5 | |
| n | макс | 7.36 | 7.36 | 9.36 | 9.36 | 9.36 | 11.43 | 11.43 | 11.43 | 11.43 | 14.43 | |
| мин | 7 | 7 | 9 | 9 | 9 | 11 | 11 | 11 | 11 | 14 | ||
| s | макс.=номинальный размер | 55 | 60 | 65 | 80 | 85 | 90 | 95 | 105 | 115 | 145 | |
| мин | 53.8 | 58.8 | 63.1 | 78.1 | 82.8 | 87.8 | 92.8 | 102.8 | 112.8 | 142,5 | ||
| Серия 2 | Шплинт согласно DIN EN ISO 1234. | 6.3x63 | 6.3x71 | 8x71 | 8x90 | 8x100 | 10x100 | 10x100 | 10x112 | 10x140 | 10x160 | |
| на 1000 единиц ≈ кг | 447 | 584 | 710 | 1300 | 1500 | 1800 | 2150 | 2900 | 3700 | 7600 | ||
Компания Hebei Duojia Metal Products Co., Ltd. ранее была известна как Yonghong Expansion Screw Factory. Компания имеет более чем 25-летний опыт производства крепежных изделий. Завод расположен на промышленной базе China Standard Room в районе Юннань города Ханьдань. Компания осуществляет производство крепежных изделий как онлайн, так и офлайн, а также предоставляет комплексные услуги по продаже.
Площадь завода составляет более 5000 квадратных метров, а площадь склада — более 2000 квадратных метров. В 2022 году компания провела модернизацию производства, стандартизировала производственный порядок, увеличила складские площади, повысила безопасность производства и внедрила меры по защите окружающей среды. На заводе создана экологически чистая производственная среда.
Компания располагает станками для холодной штамповки, штамповочными машинами, резьбонарезными станками, резьбонарезными станками, формовочными машинами, пружинными станками, обжимными станками и сварочными роботами. Её основная продукция — серия распорных винтов, известных как «стенолазы».
Компания также производит крючкообразные изделия специальной формы, такие как винты с кольцевым пазом для сварки по дереву и болты с кольцевым пазом для машинного зуба. Кроме того, с конца 2024 года компания расширила ассортимент новых видов продукции. Компания специализируется на предварительно заглубленных изделиях для строительной отрасли.
Компания располагает профессиональной командой по продажам и отделом сопровождения, которые обеспечат сохранность вашей продукции. Компания гарантирует качество предлагаемой продукции и проводит инспекции по сортам. В случае возникновения проблем компания предлагает профессиональное послепродажное обслуживание.
Мы экспортируем свою продукцию в такие страны, как Россия, Южная Корея, Великобритания, Франция, Германия, Италия, Канада, Мексика, Бразилия, Аргентина, Чили, Австралия, Индонезия, Таиланд, Сингапур, Саудовская Аравия, Сирия, Египет, Танзания, Кения и другие. Наша продукция будет представлена по всему миру!
ПОЧЕМУ ВЫБИРАЮТ ИМЕННО НАС?
1. Как прямой поставщик с завода, мы исключаем посреднические наценки, чтобы предложить вам самые конкурентоспособные цены на высококачественные крепежные изделия.
2. Наш завод прошел сертификацию по стандартам ISO 9001 и AAA. У нас есть испытания на твердость и испытание толщины цинкового покрытия для оцинкованных изделий.
3. Осуществляя полный контроль над производством и логистикой, мы гарантируем своевременную доставку даже для срочных заказов.
4. Наша инженерная группа может изготовить крепежные детали по индивидуальному заказу от прототипа до массового производства, включая уникальные конструкции резьбы и антикоррозийные покрытия.
5. От шестигранных болтов из углеродистой стали до высокопрочных анкерных болтов — мы предлагаем комплексное решение для всех ваших потребностей в крепеже.
6. Если обнаружен какой-либо дефект, мы повторно отправим замену в течение 3 недель с учетом нашего расчета.











